![]() |
![]() |
![]() |
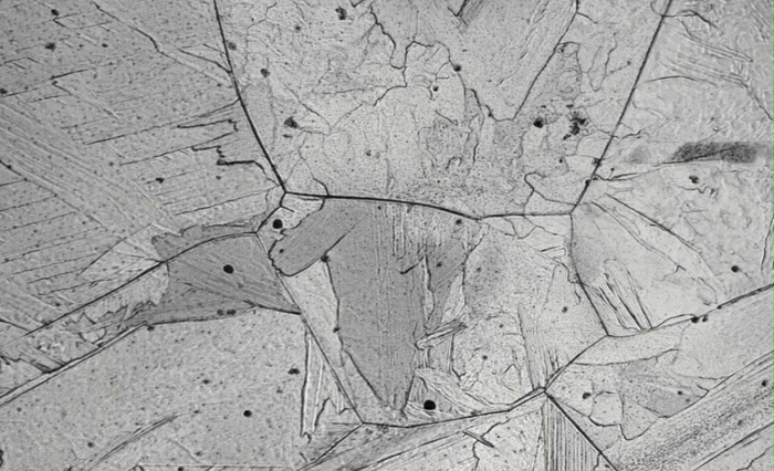
热处理人必须了解的14种金相组织发布日期:2025-8-6 类别:行业新闻 浏览量: 4287 热处理工作者必须掌握的金相组织知识,因为这直接关系到材料性能的控制。以下是14种必须了解的核心金相组织,涵盖了钢铁材料中最常见和最重要的类型: 1、奥氏体
定义:碳在γ-Fe中的间隙固溶体。面心立方结构。 特点:高温稳定相(存在于727°C以上,具体温度取决于含碳量)。塑性、韧性好,强度、硬度较低(相对于室温组织)。无磁性。是淬火获得马氏体的前提条件。 形成:加热到奥氏体化温度以上(Ac3或Accm以上)并保温足够时间。 重要性:几乎所有热处理(淬火、正火、退火)的起始或中间组织。控制其成分均匀性和晶粒大小至关重要。 2、铁素体
定义:碳在α-Fe中的间隙固溶体。体心立方结构。 特点:室温稳定相(存在于727°C以下)。含碳量极低(<0.0218%),软、韧、塑性好,强度、硬度低。具有铁磁性。 形成:平衡冷却时奥氏体分解的产物;亚共析钢缓冷后的主要组成相;退火、正火、回火等工艺中常见。 重要性:决定了低碳钢的优良塑性和韧性。其形态(晶粒大小、分布)影响综合性能。 3、渗碳体
定义:铁与碳形成的金属间化合物,分子式Fe3C。 特点:硬而脆(HB~800),塑性几乎为零。熔点高,稳定性好(亚稳相)。是钢中主要的强化相之一。 形成:过饱和奥氏体在冷却过程中析出;存在于珠光体、贝氏体、莱氏体、马氏体回火产物中等多种组织中。 重要性:其数量、形态(片状、粒状、网状等)、大小和分布对钢的强度、硬度、耐磨性及韧性有决定性影响。控制其形态是热处理的关键目标之一(如球化退火)。 4、珠光体
定义:铁素体和渗碳体片层相间的机械混合物。是共析反应的产物。 特点:平衡组织(A1温度附近缓冷形成)。片层间距相对较粗(光学显微镜下清晰可见)。强度、硬度适中(HB~200),有一定的塑韧性。综合机械性能良好。 形成:共析钢完全奥氏体化后缓慢冷却;过冷度较小时奥氏体的分解产物。 重要性:退火、正火(亚共析钢)的典型组织。是理解后续更细密组织的基础。 5、索氏体
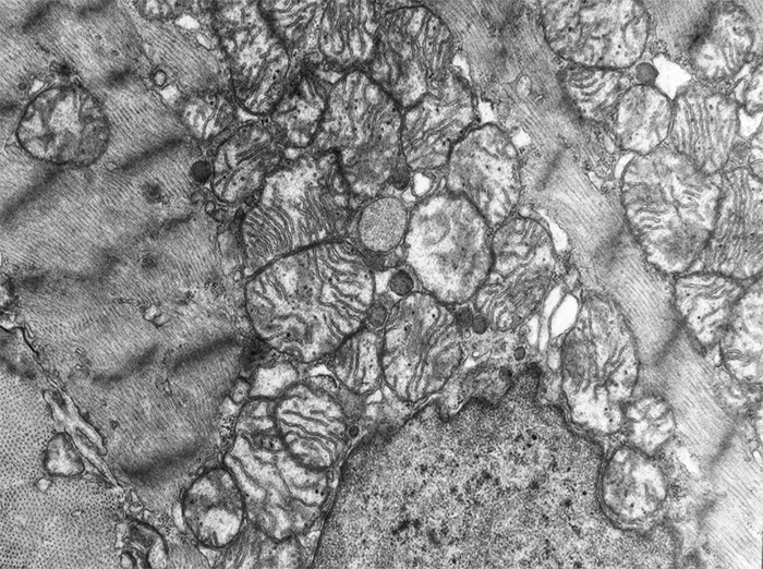
定义:细珠光体。铁素体和渗碳体更细密的片层状机械混合物。 特点:片层间距比珠光体小,在较高倍(如800-1000X)光学显微镜下可分辨。强度、硬度(HB~300)高于珠光体,同时仍保持较好的韧性。 形成:奥氏体在相对较大的过冷度下(如空冷正火)分解的产物;回火索氏体是马氏体中温回火产物(形态不同,但性能类似)。 重要性:正火组织的典型代表,具有良好的综合机械性能。回火索氏体是重要结构件的理想组织。 6、屈氏体
定义:极细珠光体/托氏体。铁素体和渗碳体极其细密的片层状机械混合物。 特点:片层间距非常小,在光学显微镜下难以分辨,呈黑团状(需电镜观察)。强度、硬度(HB~400)比索氏体更高,韧性稍低但仍优于淬火态。 形成:奥氏体在更大的过冷度下(如油冷)分解的产物;回火屈氏体是马氏体低温回火产物(形态不同)。 重要性:某些淬透性好的钢油冷后可能获得;回火屈氏体具有高强度和一定的韧性,用于弹簧、模具等。 7、贝氏体
定义:过饱和铁素体和渗碳体的非层片状混合物。是介于珠光体和马氏体转变温度之间的中温转变产物。 分类与特点: 上贝氏体:羽毛状。在光学显微镜下呈羽毛状特征(平行排列的铁素体板条间分布着不连续的短杆状渗碳体)。强度、硬度较高,但韧性较差,尤其是冲击韧性低(因渗碳体沿铁素体板条界析出)。 下贝氏体:针状/片状。在光学显微镜下呈黑色针状(类似回火马氏体,但更易受侵蚀)。电镜下为过饱和铁素体基体上弥散分布着细小的ε-碳化物。强度、硬度高(可达HRC 50以上),同时具有良好的韧性和耐磨性。 形成:奥氏体在珠光体和马氏体转变温度区间(约550°C - Ms)等温或连续冷却时形成。 重要性:贝氏体等温淬火或连续冷却控制获得贝氏体是提高强韧性的重要手段。下贝氏体性能优异。 8、马氏体
定义:碳在α-Fe中的过饱和固溶体。体心正方结构(含碳量>0.2%时)。 特点:淬火获得。高硬度(随含碳量增加而提高,最高可达HRC 65以上)、高强度。塑性、韧性差(尤其是高碳片状马氏体)。硬而脆。具有针状/片状(高碳)或板条状(低碳)形态。存在较大的内应力。 形成:奥氏体以大于临界冷却速度冷却到Ms点以下发生无扩散型相变。 重要性:淬火的直接目标组织,是获得高强度、高硬度的基础。必须通过回火来调整其性能。 9、莱氏体
定义:共晶反应的产物。在钢铁材料中特指奥氏体(或其转变产物)和渗碳体的共晶混合物。 特点:存在于共晶白口铸铁和过共晶白口铸铁中,高碳钢(如高速钢)铸态组织中也有。硬度高(HB>700),极脆。典型的鱼骨状或蜂窝状形态。 形成:含碳量4.3%左右的铁碳合金液体在1148°C发生共晶反应直接生成(γ + Fe3C)。 重要性:是铸铁(尤其是白口铸铁)和某些高合金工具钢铸态组织的特征。其存在导致材料脆性极大,通常需要通过热处理(如退火)来分解或改变它。 10、回火马氏体
定义:淬火马氏体在低温(150-250°C)回火后的组织。 特点:仍基本保持马氏体的针状/板条状形态,但析出大量极细小的ε-碳化物(Fe2.4C)。硬度略有下降(比淬火态低约HRC 1-3),内应力显著降低,韧性略有提高。易腐蚀,颜色较深。 形成:低温回火。 重要性:工具、轴承、渗碳件等要求高硬度和耐磨性,同时需要降低内应力、提高尺寸稳定性和一定韧性的场合。 11、回火屈氏体
定义:淬火马氏体在中温(350-500°C)回火后的组织。 特点:铁素体基体上弥散分布着细小的粒状渗碳体。原马氏体形态隐约可见。具有高的弹性极限、屈服强度和良好的韧性配合(即强韧性好)。硬度约为HRC 40-50。 形成:中温回火。 重要性:弹簧、热锻模、承受冲击的工具等要求高弹性和良好韧性的零件。 12、回火索氏体
定义:淬火马氏体在高温(500-650°C)回火后的组织。 特点:铁素体基体上均匀分布着粒状渗碳体。原马氏体形态基本消失。具有良好的综合机械性能(强度、塑性、韧性都较好),即良好的强韧性。硬度约为HRC 25-40。 形成:高温回火(调质处理)。 重要性:轴类、连杆、螺栓、齿轮等重要结构件最常用的组织状态(调质态)。 13、魏氏组织
定义:一种过热缺陷组织。在亚共析钢(铁素体魏氏组织)或过共析钢(渗碳体魏氏组织)中,先共析相以针状或片状形态按一定取向插入原奥氏体晶粒内部。 特点:针状铁素体或渗碳体从晶界向晶内生长,呈一定角度分布。严重割裂基体。 形成:奥氏体晶粒粗大(过热)且在特定冷却速度(通常较快,如空冷)下形成。 重要性:显著降低钢的塑性(尤其是冲击韧性)和强度。是必须避免或通过正火、退火消除的组织缺陷。 14、石墨
定义:铸铁中的游离碳,以单质形式存在。晶体结构为六方层状。 形态与特点:片状石墨:(灰铸铁)强度低,减震性好,易切削加工。 蠕虫状石墨:(蠕墨铸铁)性能介于灰铸铁和球铁之间。 球状石墨:(球墨铸铁)对基体割裂作用小,强度、韧性高,接近钢。 团絮状石墨:(可锻铸铁)由白口铸铁石墨化退火得到,提高塑性韧性。 形成:铸铁凝固和/或固态石墨化退火过程中析出。 重要性:石墨是铸铁性能的决定性因素。其形态、大小、分布和数量直接决定了不同类型铸铁(灰铁、球铁、蠕铁、可锻铸铁)的性能特点和应用范围。热处理(如退火、正火)主要影响基体组织(珠光体、铁素体等),但石墨形态通常由熔炼和孕育/球化工艺决定。 总结: 热处理工作者的核心任务就是通过控制加热、保温和冷却过程,精确地获得或避免特定的金相组织,从而赋予材料所需的性能(强度、硬度、塑性、韧性、耐磨性、疲劳强度等)。深刻理解这14种基本金相组织的定义、形成条件、形态特征、性能特点以及它们之间的相互转化关系,是制定合理热处理工艺、分析解决热处理质量问题、预测和评估材料性能的基础。熟练掌握金相组织的观察和鉴别是热处理工作者的必备技能。 上一条:网带式等温正火炉生产线正确操作方法 |
| Copyright © 2025 等温正火生产线生产厂家——湖州中科炉业科技有限公司 All Rights |